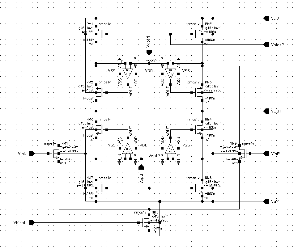
Quad Hecate - Improvement on First Motor Spin
Now driving all three phases with an improved circuit design considering Rds(on), gate capacitance, bootstrap component values, and timing. I used an Analog Discovery 2 to drive the gates and analyze the phase waveforms.


